Please sign in so that we can notify you about a reply
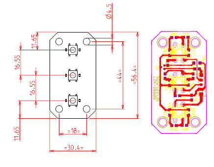
PCB CONTROL VERS.VAPORE MCE25 - ARIETE - Cod. AT4035710600
Consumabile:
Marca:
ARIETE
Tipologia:
Ricambi

